+375 (17) 318 54 90
+375 (29) 175 33 45
heat@uvi-electronics.com
Керамические инфракрасные нагреватели тип HFS
Основные характеристики:
- Рабочая температура до 700 0С при удельной мощности до 38,4 кВт/м2;
- Производятся на основе технологии пустотелой отливки керамики – уменьшено время нагрева данных элементов;
- Четыре типоразмера с диапазоном мощностей от 60 до 600 Вт;
- Возможна поставка со встроенной термопарой
|
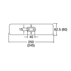
HFS
|
![]() |
![]() |
![]() |
|
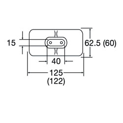
HFS/1
|
![]() |
![]() |
![]() |
|
HFS/2
|
![]() |
![]() |
![]() |
|
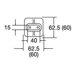
HFS/4
|
![]() |
![]() |
![]() |

|
Тип, вес, мощность
|
HFS, HFS/1
|
220 г
|
250
|
400
|
600
|
Вт
|
|
HFS/2
|
125 г
|
125
|
200
|
300
|
Вт
|
|
|
HFS/4
|
75 г
|
60
|
100
|
150
|
Вт
|
|
|
Максимальная мощность нагрева на м.кв.
|
16
|
25,6
|
38,4
|
кВт/м2
|
||
|
Рабочая температура
|
420
|
510
|
630
|
0 С
|
||
|
Максимально допустимая температура
|
700
|
700
|
700
|
0 С
|
||
|
Диапазон длины волн
|
2-10
|
мкм
|
||||












